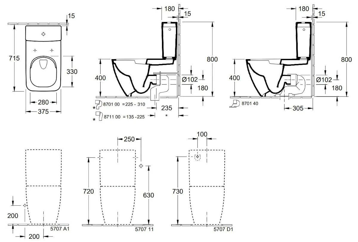
Kombi-WC mit Spülbehälteranschluss
- Abmessungen: 375 x 700 x 400 mm
- Material: Sanitärkeramik, Farbe Alpinweiß
- DirectFlush spülrandlose Ausführung
- AquaReduct 2-Spülwassermengen, Volumen 4,5/3 l
- waagrechter Abgang, wenn ein Vario Installationsset verwendet wird, ist ein Übergang auf einen senkrechten Abgang möglich
- Installation: bodenstehend, Verkleidung an der Wand (empfohlener Abstand 15 mm von der Wand)
Beispielfoto, Spülkasten und WC-Sitz sind nicht Bestandteil der Lieferung, diese müssen getrennt bestellt werden.
Dieses Produkt kann Ihnen ohne Originalverpackung geliefert werden. Dies dient dazu, das Produkt während des Transports zu Ihnen vor Schäden zu schützen.




















Rezensionen
Es gibt noch keine Rezensionen.